




Наконечник мідно-алюмінієвий 16 мм2
Опис
Характеристики
Інформація для замовлення
Мідно-алюмінієвий наконечник 16 мм2
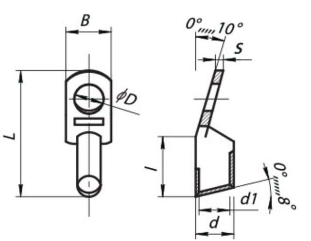
Кабельний наконечник виготовлено з високоякісного алюмінію, на лопатку, методом лазерного напилення нанесено мідний шар. Такі кабельні наконечники застосовуються для під'єднання алюмінієвих кабелів до мідних струмоведучих шин. Метод лазерного напилення міді забезпечує низький перехідний опір мідь/алюміній. Монтаж наконечника проводиться методом опресування. Для монтажу необхідний кабельний прес.
Характеристики
- Призначені для окінцювання опресовуванням алюмінієвих кабелів і проводів і подальшого підключення їх до мідних шин і клем електротехнічних пристроїв
- Матеріал: електротехнічний алюміній марки АД1 і мідь марки М1
- Секторні жили рекомендовано скруглити
- Гарантійний термін зберігання 5 років
- Гарантійний термін експлуатації 5 років

|
|||||||||||||||||||||||||||||||||||||||||||||||||||||||||||||||||||||||||||||||||||||||||||||||||||||||||||||||||||||||
|---|---|---|---|---|---|---|---|---|---|---|---|---|---|---|---|---|---|---|---|---|---|---|---|---|---|---|---|---|---|---|---|---|---|---|---|---|---|---|---|---|---|---|---|---|---|---|---|---|---|---|---|---|---|---|---|---|---|---|---|---|---|---|---|---|---|---|---|---|---|---|---|---|---|---|---|---|---|---|---|---|---|---|---|---|---|---|---|---|---|---|---|---|---|---|---|---|---|---|---|---|---|---|---|---|---|---|---|---|---|---|---|---|---|---|---|---|---|---|---|
| Основні | |
|---|---|
| Виробник | Власне виробництво |
| Країна виробник | Україна |
| Конструкція | Пряма |
| Кількість в упаковці | 1 шт. |
| Спосіб монтажу | Опресовування |
| Матеріал виробу | Алюміній |
| Стан | Новий |
| Тип накінечника | Кільце |
| Перетин проводів, що підключаються | 16 кв.мм |
| Тип елемента кріплення кабелю | Еаконечник до кабелю |
| Кількість отворів для кріплення | 1 |
| Наявність ізоляції | Ні |
- Ціна: 19 ₴


